
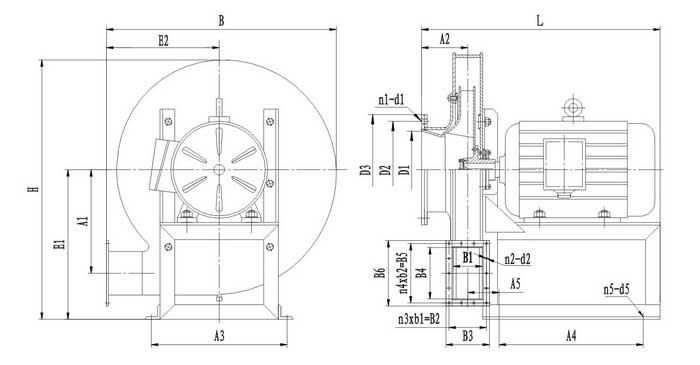
9-19系列
風量(Q):824 ∽ 63307M3/hr全壓(H):366 ∽ 676mmH2O柱機號:4# ∽ 16#傳動方式:A型:電動機與
葉輪直聯;C型:電動機經皮帶輪與葉輪聯動;D型:電動機經傳動組與葉輪聯動;出口角度:0О、45О、
90О、135О、180О、225О<BR>2.說明:本系列風機使用氣體溫度低于150℃,含塵量應小于150mg/ M3.
4.5#以上過流部件采用鈦板、鈦鍛件制造,(4#采用鈦鑄造葉輪)耐氧化性氣(汽)體腐蝕。可裝有簡易的
軸封裝置及排凝液裝置。出廠前葉輪逐臺作靜、動平衡試驗,(8#以上作二次動平衡試驗,11.2#以上作超
速試驗)及試運轉試驗,并提供試驗報告。各號風機均可供A、C、D傳動型式并配有一體化鋼支架。性能、
軸封,耐蝕材料有特殊要求的可專門設計、制造。


